home right

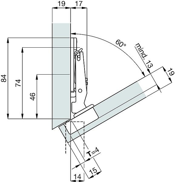
-30°-Winkelband

Produktauswahl

Wählen Sie eine Produktausführung damit wir Ihnen die genaue Verfügbarkeit sowie den Preis anzeigen können
sofort lieferbar
Bei Goll am Lager verfügbar.
Liefermenge auf Anfrage
Lagerbestand wird nochmals geprüft.
Großmenge auf Anfrage
Lagerbestand wird nochmals geprüft.
UVP/Stück
EUR -
Bestellnummer
Bestellnummer Stift
Bestellnummer Schrauben
Krt.:
Gesamt:

Sämtliche Bestellungen werden über uns abgewickelt und über Ihren gewünschten Fachhändler verrechnet. Preisangaben ohne MwSt.

SCHNELLBESTELLUNG +49 83 82 / 96 09-0

Ausführungen

Bestellnummer Ausführung BohrbildTopf-Ø Stück / Krt. Ü-Krt. UVP / Stück Krt. Gesamt Stück
C2ABW99 z. Anschrauben 4835 25 150 25 EUR 5,00
sofort lieferbar
auf Anfrage
Menge auf Anfrage
C2B7W99 z. Einpressen 48/10 48/1035 25 150 25 EUR 5,23
sofort lieferbar
auf Anfrage
Menge auf Anfrage

Beschreibung

Ausführung: Bandarm und Bandtopf aus Stahl.